Satz Von Steiner Beispiel

Satz Von Steiner An Einem Beispiel Youtube
Satz Von Steiner Youtube
Satz Von Steiner Fur Zusammengesetzte Flachen
Satz Von Steiner Bei Flachen Und Massen Mit Video

Immer auf eine bestimmte drehachse bezogen und hängt von der lage dieser achse im körperab.

Satz von steiner beispiel. Dabei ist j a das trägheitsmoment des objekts in diesem fall einer kugel um den eigenen schwerpunkt m die masse des objekts und l der abstand des schwerpunkts von der drehachse. J 1 trägheitsmoment des körpers auf drehachse 1 schwerachse achse auf der sich der schwerpunkt des körpers befindet kg m 2 j 2 trägheitsmoment des körpers auf drehachse 2 kg m 2 md 2 steinersche anteil kg m 2. Zuletzt wendet man den steinerschen satz an.

J j a m l 2. Selbst wenn er richtig wäre ist das doch keine antwort auf die frage. Trägheitsmoment steiner scher satz torsionspendel zum nachweis des steiner schen satzes version vom 6.

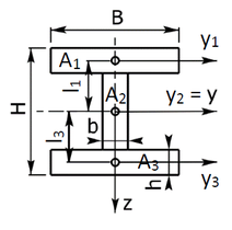
Für j drei drei und j zwei drei versschwinden die steineranteile da der y abstand der einzelnen flächen zum schwerpunkt null ist. Berechnung des flächenschwerpunktes mit beispiel berechnung der standsicherheit sicherheit gegen kippen mit beispiel berechnung des flächenträgheitsmoments satz von steiner mit beispielen bzw. D h du kannst bei bekannter trägheit der kreisscheibe um s das trägheitsmoment um a schnell ausrechnen.

I y sum i 1 n i y i sum i 1 n i y i z s i 2. Dieser besagt dass das massenträgheitsmoment jsum eine drehachse durch den schwerpunkt um m s vergrößert wird wenn sich die drehachse um den abstand s parallel verschiebt. J z v r2 dm z v r2 ˆdv 1 formelzeichen einheit bezeichnung j kgm2 trägheitsmomentbzgl.

J js ms 2. Dafür addieren wir einfach die eigenmomente und die anteile nach dem satz von steiner der jeweiligen flächen zu einem gesamten flächenträgheitsmoment aufeinander auf. In diesem video erklärt dan was es mit dem satz von steiner auf sich hat den wir bei der berechnung von flächenträgheitsmomenten dann brauchen wenn wir da.

Die kreise in der skizze bezeichnen wieder die schwer punkte der teil flächen. Flächen träg heits moment eines i profils mit satz von steiner es soll das flächen trägheits moment bezüglich der y achse wie in beispiel 2 berechnet werden diesmal jedoch mit dem satz von steiner. Den satz von steiner hast du falsch.

Für achsen parallel zur achse durch den schwerpunkt hat man einfach i a i s m r 2 wobei r der abstand sa ist. Nach satz von steiner berechnet sich das trägheitsmoment j um eine rotationsachse wie folgt. Mit dem endergebnis um das massenträgheitsmoment des stabes um seine schwerpunktsachse zu bekommen kann man den satz von steiner anwenden.

Beispiele und berechnungen zum wirkungsgrad.

Satz Von Steiner Das Tragheitsmoment Mit Dem Satz Von Steiner Berechnen
Flachentragheitsmoment Theorie Satz Von Steiner Johannes Strommer
Satz Von Steiner Flachentragheitsmoment Youtube
Mechanik Nachhilfe Video 19 Rechteck Flachentragheitsmoment Satz Von Steiner De Youtube
Source : pinterest.com